超宽带宽角极化不敏感的电路模拟吸波材料设计

姚智馨 肖绍球

姚智馨, 肖绍球. 超宽带宽角极化不敏感的电路模拟吸波材料设计[J]. 雷达学报, 2021, 10(2): 274–280. doi: 10.12000/JR21017
引用本文: 姚智馨, 肖绍球. 超宽带宽角极化不敏感的电路模拟吸波材料设计[J]. 雷达学报, 2021, 10(2): 274–280. doi: 10.12000/JR21017
YAO Zhixin and XIAO Shaoqiu. Wide-angle, ultra-wideband, and polarization-insensitive circuit analog absorbers[J]. Journal of Radars, 2021, 10(2): 274–280. doi: 10.12000/JR21017
Citation: YAO Zhixin and XIAO Shaoqiu. Wide-angle, ultra-wideband, and polarization-insensitive circuit analog absorbers[J]. Journal of Radars, 2021, 10(2): 274–280. doi: 10.12000/JR21017

超宽带宽角极化不敏感的电路模拟吸波材料设计

DOI: 10.12000/JR21017 CSTR: 32380.14.JR21017
基金项目: 国家自然科学基金(61731005),中央高校基础研究基金(ZYGX2016Z008)
详细信息
    作者简介:

    姚智馨(1995–),男,河南信阳人,电子科技大学博士研究生。主要研究方向为超材料、雷达吸波材料的理论与设计。E-mail: yaozhixin_1995@163.com

    肖绍球(1975–),男,湖南桑植人,博士,中山大学电子与信息工程学院教授。主要研究方向为面向无线通信、雷达系统的相控阵天线理论与技术、人体可穿戴、可植入式天线与器件、电波传播与无线通信和电磁散射调控及其应用。先后共发表学术论文280篇,其中被SCI收录130篇。E-mail: xiaoshq8@mail.sysu.edu.cn

    通讯作者:

    肖绍球 xiaoshq8@mail.sysu.edu.cn

    责任主编:李龙 Corresponding Editor: LI Long

  • 中图分类号: O451

Wide-angle, Ultra-wideband, and Polarization-insensitive Circuit Analog Absorbers

Funds: The National Natural Science Foundation of China (61731005), The Fundamental Research Funds for the Central Universities under Grant (ZYGX2016Z008)
More Information
  • 摘要: 传统的电路模拟吸波材料设计只考虑正入射时的吸波性能,当入射角较大,尤其是大于30°时,雷达吸波器的吸波效果明显恶化。随着现代双站雷达探测技术的发展,雷达探测电磁波可能来自不同的空间方向,这就要求雷达吸波材料不仅在电磁波正入射时具有较高的吸波性能,在斜入射时同样实现良好的隐身特性。为此,该文提出了一种新型的宽带吸波材料。该材料由嵌入集总电阻的导电方环阵列和设计良好的宽角阻抗匹配(WAIM)层组成。由于WAIM层的存在,斜入射情况下的吸波性能明显改善。同时,针对电磁波正斜入射情况,该文提出了准确的等效电路模型以及严格的数学计算模型,使得结构设计清晰明了。测量结果表明,正入射时的吸波带宽达到137.1%。当入射角小于45°时,所设计吸波材料在反射系数衰减至少10 dB情况下的公共百分比吸波带宽达到110.5%。等效电路模型计算、仿真与实测结果之间的相似性验证了该文设计的有效性。

     

  • 图  1  吸波材料结构示意图

    Figure  1.  The unit cell geometry of the absorber

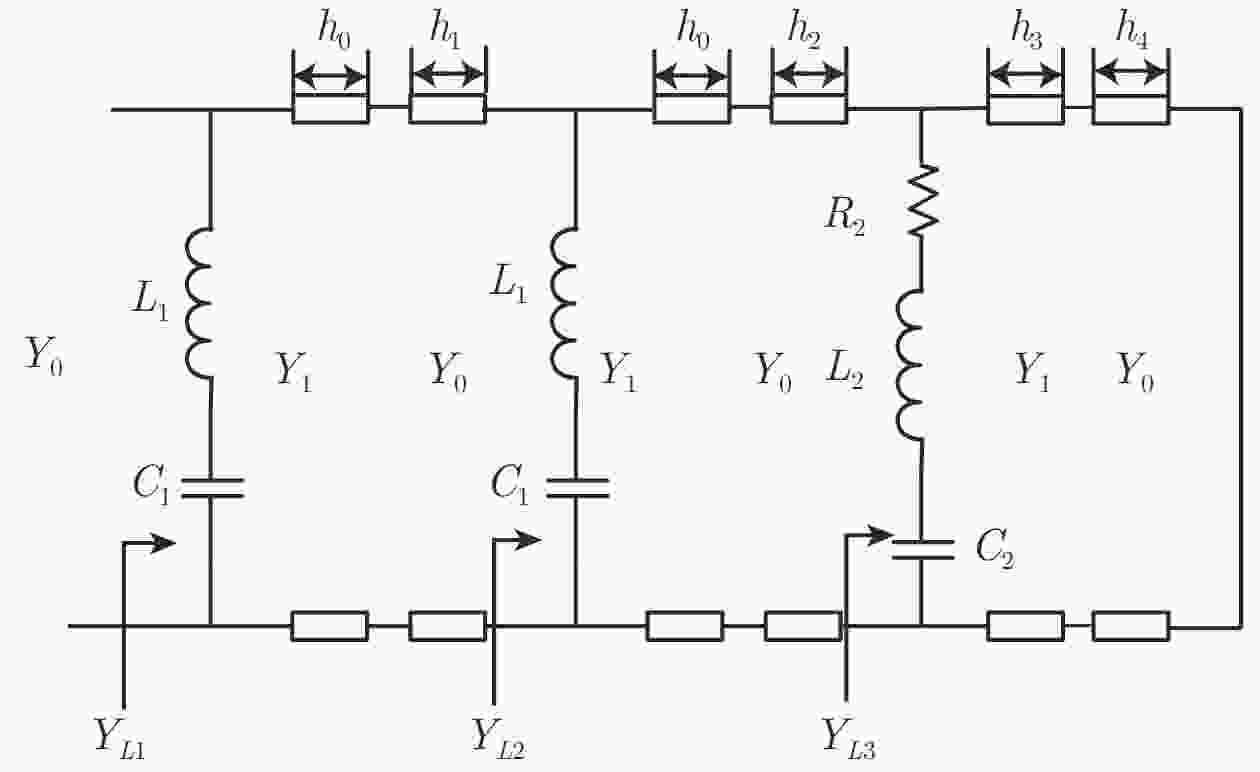
    图  2  所设计具备宽角阻抗匹配层的吸波材料等效电路模型

    Figure  2.  The equivalent circuit for absorber with WAIM layer

    图  3  算法计算与软件仿真分别得到的正斜入射情况下最优反射系数结果

    Figure  3.  The optimal reflection coefficient under normal and oblique incidence obtained by calculation and simulation

    图  4  为了分析简化得到的等效电路模型

    Figure  4.  The simplified equivalent circuit model for analysis

    图  5  YGNDYRLC2在TM正斜入射时的电纳值

    Figure  5.  The susceptances of YGND and YRLC2 under normal and oblique incidence for TM-polarized wave

    图  6  Ylayer1 and Ylayer2在TM极化正斜入射时的电纳值

    Figure  6.  The susceptances of Ylayer1 and Ylayer2 under normal and oblique incidence for TM-polarized wave

    图  7  有无宽角阻抗匹配层对应的TM极化斜入射反射系数结果

    Figure  7.  Reflection coefficient under TM-polarized oblique incidence with and without WAIM layer

    图  8  加工样品

    Figure  8.  Fabricated sample

    图  9  反射系数测试装置示意图

    Figure  9.  Measurement setup for reflection coefficient

    图  10  实验测试得到的正斜入射情况下反射系数结果

    Figure  10.  The optimal reflection coefficient under normal and oblique incidence obtained by simulation

    表  1  吸波性能对比

    Table  1.   Comparison of performance

    文献吸波角度
    (°)
    厚度
    (unit: λL)
    百分比带宽
    (%)
    单元结构
    [3]300.104112.0有耗方环
    [4]300.088126.8有耗双方环
    [17]500.09059.3有耗方环+十字交叉
    网格阵列
    [22]450.330101.1全介质水基
    本文450.113137.1有耗方环+宽角阻抗
    匹配层
    下载: 导出CSV
  • [1] SALISBURY W W. Absorbent body for electromagnetic waves[P]. US, 2599944A, 1952.
    [2] KNOTT E F, SHAEFFER J F, and TULEY M T. Radar Cross Section[M]. 2nd ed. Raleigh: SciTech, 2004: 320–325.
    [3] COSTA F, MONORCHIO A, and MANARA G. Analysis and design of ultra thin electromagnetic absorbers comprising resistively loaded high impedance surface[J]. IEEE Transactions on Antennas and Propagation, 2010, 58(5): 1551–1558. doi: 10.1109/TAP.2010.2044329
    [4] SHANG Yuping, SHEN Zhongxiang, and XIAO Shaoqiu. On the design of single-layer circuit analog absorber using double-square-loop array[J]. IEEE Transactions on Antennas and Propagation, 2013, 61(12): 6022–6029. doi: 10.1109/TAP.2013.2280836
    [5] ZHANG Ying, SHI Yan, and LIANG Changhong. Broadband tunable graphene-based metamaterial absorber[J]. Optical Materials Express, 2016, 6(9): 3036–3044. doi: 10.1364/OME.6.003036
    [6] SHI Yan, LI Yuanchang, HAO Tong, et al. A design of ultra-broadband metamaterial absorber[J]. Waves in Random and Complex Media, 2017, 27(2): 381–391. doi: 10.1080/17455030.2016.1250974
    [7] ZHANG Lin, SHI Yan, YANG Jinxi, et al. Broadband transparent absorber based on indium tin oxide-polyethylene terephthalate film[J]. IEEE Access, 2019, 7: 137848–137855. doi: 10.1109/ACCESS.2019.2942141
    [8] YU Jiawei, CAI Yang, LIN Xianqi, et al. Perforated multilayer ultrawideband absorber based on circuit analog absorber with optimal air spaces[J]. IEEE Antennas and Wireless Propagation Letters, 2020, 19(1): 34–38. doi: 10.1109/LAWP.2019.2951845
    [9] ZHANG Xiaofan, ZHANG Dajun, FU Yanjun, et al. 3-D printed swastika-shaped ultrabroadband water-based microwave absorber[J]. IEEE Antennas and Wireless Propagation Letters, 2020, 19(5): 821–825. doi: 10.1109/LAWP.2020.2981405
    [10] ZHAO Bo, HUANG Cheng, YANG Jianing, et al. Broadband polarization-insensitive tunable absorber using active frequency selective surface[J]. IEEE Antennas and Wireless Propagation Letters, 2020, 19(6): 982–986. doi: 10.1109/LAWP.2020.2985710
    [11] LUO Guoqing, YU Weiliang, YU Yufeng, et al. A three-dimensional design of ultra-wideband microwave absorbers[J]. IEEE Transactions on Microwave Theory and Techniques, 2020, 68(10): 4206–4215. doi: 10.1109/TMTT.2020.3011437
    [12] YAO Zhixin, XIAO Shaoqiu, JIANG Zhiguo, et al. On the design of ultrawideband circuit analog absorber based on quasi-single-layer FSS[J]. IEEE Antennas and Wireless Propagation Letters, 2020, 19(4): 591–595. doi: 10.1109/LAWP.2020.2972919
    [13] 于家傲, 彭世蕤, 刘立国, 等. 双六边形环电路模拟吸波材料及其等效电路模型[J]. 国防科技大学学报, 2019, 41(3): 153–158. doi: 10.11887/j.cn.201903023

    YU Jiaao, PENG Shirui, LIU Liguo, et al. Circuit analog absorber with double hexagonal loops and its equivalent circuit model[J]. Journal of National University of Defense Technology, 2019, 41(3): 153–158. doi: 10.11887/j.cn.201903023
    [14] 吕世奇, 高军, 曹祥玉, 等. 一种基于集总电阻加载的小型化超宽带超材料吸波体设计[J]. 电子与信息学报, 2019, 41(6): 1330–1335. doi: 10.11999/JEIT180648

    LV Shiqi, GAO Jun, CAO Xiangyu, et al. A design of ultra-broad-band miniaturized matematerial absorber based on loading lumped resistances[J]. Journal of Electronics &Information Technology, 2019, 41(6): 1330–1335. doi: 10.11999/JEIT180648
    [15] 吴博睿, 王光明, 李海鹏, 等. 基于等效传输线理论的高效超宽带吸波体[J]. 微波学报, 2020, 36(4): 33–37, 42. doi: 10.14183/j.cnki.1005-6122.202004006

    WU Borui, WANG Guangming, LI Haipeng, et al. Efficient ultra-broadband wave absorber based on equivalent transmission line theory[J]. Journal of Microwaves, 2020, 36(4): 33–37, 42. doi: 10.14183/j.cnki.1005-6122.202004006
    [16] LI Long and LÜ Zhiyong. Ultra-wideband polarization-insensitive and wide-angle thin absorber based on resistive metasurfaces with three resonant modes[J]. Journal of Applied Physics, 2017, 122(5): 055104. doi: 10.1063/1.4997468
    [17] SHI Ting, JIN Lei, HAN Lei, et al. Dispersion-engineered, broadband, wide-angle, polarization-independent microwave metamaterial absorber[J]. IEEE Transactions on Antennas and Propagation, 2021, 69(1): 229–238. doi: 10.1109/TAP.2020.3001673
    [18] YETISIR E, GHALICHECHIAN N, and VOLAKIS J L. Ultrawideband array with 70° scanning using FSS superstrate[J]. IEEE Transactions on Antennas and Propagation, 2016, 64(10): 4256–4265. doi: 10.1109/TAP.2016.2594817
    [19] YATSENKO V V, TRETYAKOV S A, MASLOVSKI S I, et al. Higher order impedance boundary conditions for sparse wire grids[J]. IEEE Transactions on Antennas and Propagation, 2000, 48(5): 720–727. doi: 10.1109/8.855490
    [20] LANGLEY R J and PARKER E A. Equivalent circuit model for arrays of square loops[J]. Electronics Letters, 1982, 18(7): 294–296. doi: 10.1049/el:19820201
    [21] FERREIRA D, CALDEIRINHA R F S, CUIÑAS I, et al. Square loop and slot frequency selective surfaces study for equivalent circuit model optimization[J]. IEEE Transactions on Antennas and Propagation, 2015, 63(9): 3947–3955. doi: 10.1109/TAP.2015.2444420
    [22] XIE Jianwen, QUADER S, XIAO Fajun, et al. Truly all-dielectric ultrabroadband metamaterial absorber: Water-based and ground-free[J]. IEEE Antennas and Wireless Propagation Letters, 2019, 18(3): 536–540. doi: 10.1109/LAWP.2019.2896166
  • 加载中
图(10) / 表(1)
计量
  • 文章访问数: 
  • HTML全文浏览量: 
  • PDF下载量: 
  • 被引次数: 0
出版历程
  • 收稿日期:  2021-03-01
  • 修回日期:  2021-04-13
  • 网络出版日期:  2021-04-28

目录

    /

    返回文章
    返回